A-Pool System (A-Pool System pH-Rx , A-Pool Connect System pH-Rx)A-Pool System (A-Pool System pH-Rx , A-Pool Connect System pH-Rx)A-Pool System (A-Pool System pH-Rx , A-Pool Connect System pH-Rx)A-Pool System (A-Pool System pH-Rx , A-Pool Connect System pH-Rx)A-Pool System (A-Pool System pH-Rx , A-Pool Connect System pH-Rx)

A-Pool System (A-Pool System pH-Rx , A-Pool Connect System pH-Rx)


   

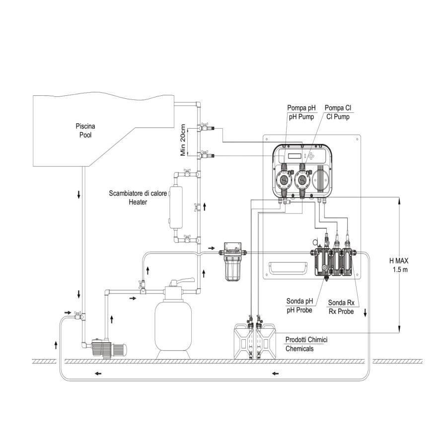
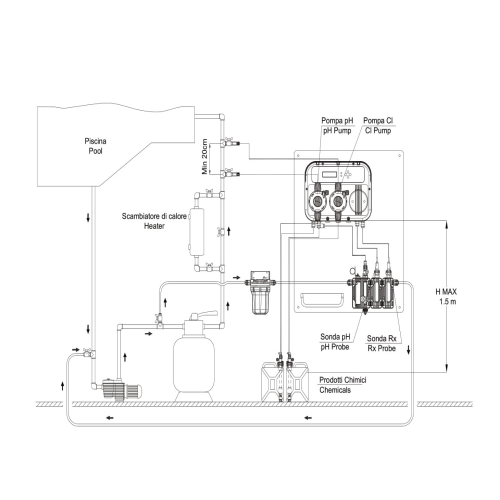
A-POOL SYSTEM pH-Rx

 
CODE MODELL KAPAZITÄT (L/h) BAR
AD80020050D A-Pool System 5 5
  • Automatische pH-Rx-Chlormessung für Schwimmbecken.
  • Modularer Sondenhalter, Durchflusssensor, Vorfilter, Erdung, Elektroden, Kalibrierflüssigkeiten, Niedrig-Chemisch-Füllstandssensor inklusive.
  • Montagebereit.
  • PVDF-Chlordosierkopf und PP-pH-Dosierpumpe.  
   

A-POOL SYSTEM pH-Rx

 
CODE MODELL KAPAZITÄT (L/h) BAR
ADPS101 A-Pool System 10 4
  • Automatische pH-Rx-Chlormessung für Schwimmbecken.
  • Modularer Sondenhalter, Durchflusssensor, Vorfilter, Erdung, Elektroden, Temperatursensor, Kalibrierflüssigkeiten, Niedrig-Chemisch-Füllstandssensor inklusive.
  • Montagebereit.
  • Als Panel: pH-Rx-Dosierpumpen für Schwimmbecken.
  • Durch verkabelung können die Ergebnisse des Poolwassers auf den Computerbildschirm übertragen werden.  
   

A-POOL CONNECT SYSTEM pH-Rx (FERNGESTEUERT KABELGEBUNDen ANSCHLUSS)

 
CODE ModellL KAPAZITÄT (L/h) BAR
ADPS401 A-Pool System pH-Rx PVDF-PT- FE-VT 10 4
  • Automatische pH-Rx-Chlormessung für Schwimmbecken.
  • Modularer Sondenhalter, Durchflusssensor, Vorfilter, Erdung, Elektroden, Temperatursensor, Kalibrierflüssigkeiten, 2 Niedrig-CHEMISCH-Füllstandssensoren inklusiund.
  • Montagebereit.
  • Als Panel: pH-Rx-Dosierpumpen für Schwimmbecken.
  • Durch undrkabelung können die Poolwasserwerte auf den Computerbildschirm übertragen werden.
  • Durch undrkabelung Möglichkeit zur GSM/GPRS-Fernsteuerung der Poolwasserwerte.
  • pH-Bereich: 0–14 pH, Rx-Bereich: 0–1500 mV.
  • PVDF-Pumpenkopf, PTFE-Rückschlagventil.
  • ADCONVI – Konundrter für Fernanschluss.
  • ADSP6000658 – USB-RS232-Adapter inklusiund.


Kategorie: Dosierpumpen
Tag:
  • Pumpengehäuse PVDF
    Membran PTFE
    Kugelhähne mit Rückschlagfunktion  PTFE
    Valf fitting PVDF
    Conta und o-ringler Viton®
    Injektionsfitting PVDF
    Saugventil PVDF